


傳動鏈條
- 標準傳動鏈條 >
- 重載系列傳動滾子鏈條 >
- 開口銷型傳動滾子鏈條 >
- 高強度傳動鏈條 >
- 特殊傳動鏈條 >
- 免加油自潤滑傳動鏈條 >
- 耐環境傳動鏈條 >
- 齒形鏈條 >
- 石油鏈條 >
- 鏈條配件 >
小型輸送鏈條
- 通用小型輸送鏈條 >
- 免加油小型輸送鏈條 >
- 耐環境小型輸送鏈條 >
- 帶滾輪輸送鏈條 >
- 倍速鏈條 >
- 空心銷軸鏈條 >
- 側彎鏈條 >
- 尖齒鏈條 >
- 帶橡膠附板鏈條 >
- 帶U型附件鏈條 >
- 夾膜鏈條 >
- 工程塑料內節鏈條 >
- 塑料滾子鏈條 >
- 塑料輥道鏈條 >
- 中孔鏈條 >
- 特殊小型輸送鏈 >
- 帶特殊附件輸送鏈 >
大型輸送鏈條
- 通用大型輸送鏈條 >
- 特殊大型輸送鏈條 >
- 大型空心銷軸輸送鏈條 >
- 軸承滾子大型輸送鏈條 >
- 耐環境大型輸送鏈條 >
- 帶滾輪大型輸送鏈條 >
- 倍速大型輸送鏈條 >
- 滾針套筒大型輸送鏈條 >
- 帶特殊附件大型輸送鏈條 >
- 針對特殊用途輸送鏈條 >
- 大型輸送鏈條配件 >
特種輸送鏈條
- 電子波峰焊行業應用 >
- 電鍍設備行業應用 >
- 造紙廠行業應用 >
- 制藥廠包裝機行業應用 >
- 汽車廠行業應用 >
- 牙膏包裝輸送線行業應用 >
- 光伏設備制造行業應用 >
- 畜牧業自動化包裝機鏈條 >
- 巧克力食品行業應用 >
- 人造板/木地板制造行業應用 >
- 醫療設備行業應用 >
- 啤酒廠易拉罐生產線輸送鏈條 >
- 速凍隧道鏈條 >
- 糖機鏈條 >
- 啤酒灌裝輸送鏈條 >
- 人造板輸送鏈條 >
- 噴涂設備輸送鏈條 >
- 煙草機械輸送鏈條 >
- 提升機用鏈條 >
- 紡織機械用鏈條 >
- 紙卷用輸送鏈條 >
- 印鐵烘房線鏈條 >
- 雙向活動鏈條 >
- 刮板輸送鏈條 >
- 洗煤機用輸送鏈條 >
- 堆取料機輸送鏈條 >
- 橡膠手套輸送鏈條 >
- 污水處理輸送鏈條 >
- 雙鉸接輸送鏈條 >
- 鋼廠用輸送鏈條 >
- 塊式輸送鏈條 >
- 筑路機械鏈條 >
- 棕油鏈條 >
- 汽車生產線鏈條 >
- 軟管專用鏈條 >
- 聚酯薄膜橫拉鏈條 >
- 鋪路機用鏈條 >
- 包裝機械鏈條 >
- 挖溝機鏈條 >
- 礦山冶金鏈條 >
- 木材輸送鏈條 >
- 糧食機械輸送鏈條 >
- 垃圾處理用輸送鏈條 >
- 鋼卷傳輸用輸送鏈條 >
工程鏈條
- 工程鋼制套筒鏈條 >
- 鋼制銷合鏈條 >
- 焊接結構彎板鏈條 >
- 曳引用焊接結構彎板鏈條 >
起重鏈條
- 板式鏈條 >
- 堆高機用板式鏈條 >
- LH系列板式鏈連接環 >
- LL系列板式鏈連接環 >
- LH系列板式鏈連接銷軸 >
- LL系列板式鏈鏈接銷軸 >
- 多板銷軸鏈條 >
- 無滾子提升鏈條 >
不銹鋼鏈條
- 不銹鋼滾子鏈條 >
- 不銹鋼滾子鏈條附件 >
- 不銹鋼雙節距輸送鏈條 >
- 不銹鋼雙節距輸送鏈條附件 >
- 不銹鋼空心銷軸鏈條 >
- 不銹鋼側彎鏈條 >
- 不銹鋼加長銷輸送鏈條 >
- 不銹鋼倍速鏈條 >
- 不銹鋼帶滾輪輸送鏈條 >
- 不銹鋼大型輸送鏈 >
- 不銹鋼特種輸送鏈條 >
頂板鏈/鏈板
鏈輪
- 銷齒傳動 >
同步帶輪
- XLH標準梯形齒同步帶輪 >
- HTP圓弧齒同步帶輪 >
- T型齒同步帶輪 >
- AT型齒同步帶輪 >
- BTL錐孔同步帶輪 >
- HTP型錐孔同步帶輪 >
齒輪齒條
蝸輪蝸桿
聯軸器
聯結件
- B系列脹緊套 >
- E系列脹緊套 >
- D系列脹緊套 >
- F系列脹緊套 >
- T系列脹緊套 >
- ML系列脹緊套 >
- HL系列脹緊套 >
- SD系列脹緊套 >
- SS系列脹緊套 >
- SK系列脹緊套 >
- BTL系列錐套 >
- QTL系列錐套 >
- STL系列錐套 >
圓環鏈&吊具
- 礦用圓環鏈條 >
- 冶金專用吊具系列鏈條 >
- 吊裝圓環鏈條 >
- 提升圓環鏈條 >
- 船用/捕魚用圓環鏈條 >
- 出渣機用圓環鏈條 >
- 景觀橋索鞍索夾 >
輸送帶
- 鋼絲繩芯輸送帶 >
- 織物芯輸送帶 >
- 礦用耐沖擊輸送帶 >
- 芳綸輸送帶1 >
- 耐高溫輸送帶 >
- 阻燃輸送帶 >
- 金屬網芯輸送帶1 >
- 鋼絲繩牽引輸送帶1 >
- 管狀輸送帶 >
- 花紋輸送帶2 >
- 覆蓋帶 >
- 擋邊輸送帶 >
- 防附著輸送帶2 >
- 節電型輸送帶2 >
- 防撕裂輸送帶 >
- 隧道用輕型鋼絲繩芯輸送帶2 >
- 特殊高伸長度聚酯帆布輸送帶2 >
- 提升帶1 >
- 夾帶式輸送機覆蓋帶1 >
- 水壓機外胎(膠墊)1 >
- 實際案例 >
脹緊套
離合器
過載保護設備
型號表示 |
鏈條本體尺寸尺寸 |
隆德鏈號 | ANSI 鏈號 | 節距 | 滾子 直徑 | 內鏈 內寬 | 鏈片 | 銷軸 | 過渡鏈節 銷軸長度 | 最大容 許張力 | 約重 | 組件的 鏈節數 | 可使用的 溫度范圍 | ||||
P | R | W | 厚度T | 寬h2 | 寬h | 直徑D | L1 | L2 | L | ||||||
mm | mm | mm | mm | mm | mm | mm | mm | mm | mm | kN /kgf | kg/m | ||||
LD25 | 25 | 6.35 | 3.30 | 3.18 | 0.8 | 5.8 | 5.1 | 2.31 | 3.80 | 4.80 | - | 0.64/65 | 0.14 | 160 | -10℃~150℃ |
LD35 | 35 | 9.525 | 5.08 | 4.78 | 1.3 | 9.0 | 7.8 | 3.59 | 5.85 | 6.85 | 13.5 | 1.52/155 | 0.33 | 320 | -10℃~150℃ |
LD40 | 40 | 12.70 | 7.92 | 7.95 | 1.5 | 12.0 | 10.4 | 3.97 | 8.25 | 9.95 | 18.2 | 2.65/270 | 0.64 | 240 | -10℃~150℃ |
LD50 | 50 | 15.875 | 10.16 | 9.53 | 2.0 | 15.0 | 13.0 | 5.09 | 10.30 | 12.00 | 22.6 | 4.31/440 | 1.04 | 192 | -10℃~150℃ |
LD60 | 60 | 19.05 | 11.91 | 12.70 | 2.4 | 18.1 | 15.6 | 5.96 | 12.85 | 14.75 | 28.2 | 6.28/640 | 1.53 | 160 | -10℃~150℃ |
LD80 | 80 | 25.40 | 15.88 | 15.88 | 3.2 | 24.1 | 20.8 | 7.94 | 16.25 | 19.25 | 36.6 | 10.7/1090 | 2.66 | 120 | -10℃~150℃ |
LD100 | 100 | 31.75 | 19.05 | 19.05 | 4.0 | 30.1 | 26.0 | 9.54 | 19.75 | 22.85 | 43.7 | 17.1/1740 | 3.99 | 96 | -10℃~150℃ |
LD120 | 120 | 38.10 | 22.23 | 25.40 | 4.8 | 36.2 | 31.2 | 11.11 | 24.90 | 28.90 | 55.0 | 23.9/2440 | 5.93 | 80 | -10℃~150℃ |
LD140 | 140 | 44.45 | 25.40 | 25.40 | 5.6 | 42.2 | 36.4 | 12.71 | 26.90 | 31.70 | 59.5 | 32.4/3300 | 7.49 | 68 | -10℃~150℃ |
LD160 | 160 | 50.80 | 28.58 | 31.75 | 6.4 | 48.2 | 41.6 | 14.29 | 31.85 | 36.85 | 70.2 | 40.9/4170 | 10.1 | 60 | -10℃~150℃ |
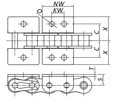
WK附件尺寸 |
隆德鏈號 | NW | KW | C | X | T1 | S | O |
mm | mm | mm | mm | mm | mm | mm | |
LD25 | 11.41 | 6.35 | 6.90 | 11.6 | 0.80 | 4.30 | 3.40 |
LD35 | 17.32 | 9.525 | 9.50 | 14.3 | 1.30 | 6.35 | 2.80 |
LD40 | 23.00 | 12.70 | 12.70 | 17.8 | 1.50 | 7.90 | 3.40 |
LD50 | 28.80 | 15.875 | 15.875 | 23.4 | 2.03 | 10.30 | 5.50 |
LD60 | 34.65 | 19.05 | 19.05 | 28.2 | 2.42 | 11.90 | 5.50 |
LD80 | 45.90 | 25.40 | 25.40 | 36.6 | 3.25 | 15.90 | 6.80 |
LD100 | 57.65 | 31.75 | 31.75 | 44.9 | 4.00 | 19.80 | 9.20 |
LD120 | 69.30 | 38.10 | 38.10 | 54.4 | 4.80 | 23.00 | 9.80 |
LD140 | 80.45 | 44.45 | 44.45 | 61.5 | 5.60 | 28.60 | 11.40 |
LD160 | 92.00 | 50.80 | 50.80 | 71.4 | 6.40 | 31.75 | 13.10 |